Montage Spange Ausruecklager/-hebel

Diskussionen rund um's Thema...
Benutzeravatar
Thomas Held Verified
Beiträge: 5066
Registriert: Do 22. Jul 2004, 12:11

Montage Spange Ausruecklager/-hebel

Beitrag von Thomas Held Verified »

Hallo,

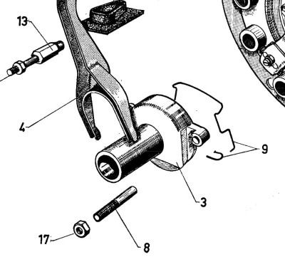
hat jemand ein Foto von der Montage der grossen, einzelnen Spange zur Verbindung von (fuehrungslosem) Ausruecklager und Ausrueckhebel? Ich bekomme das nicht zusammen...
Stimmt die Zeichung im Ersatzteilkatalog, was die Ausrichtung der Spange (Nr. 9) betrifft?

Image 15.09.24 at 22.17.jpeg
Gruss
Gruß

Tom
Tassos
Beiträge: 36
Registriert: Fr 24. Mai 2013, 19:14

Re: Montage Spange Ausruecklager/-hebel

Beitrag von Tassos »

Hallo Tom
Ich habe das damals bei meinem Austausch Fotographiert.
Das Bild kann ich leider nicht anhängen.Aber Du kannst mir
Per PN Deine Mail Adresse schicken,dann schick ich Dir die Bilder.
Grüsse Chris
Benutzeravatar
Thomas Held Verified
Beiträge: 5066
Registriert: Do 22. Jul 2004, 12:11

Re: Montage Spange Ausruecklager/-hebel

Beitrag von Thomas Held Verified »

Hallo Chris,

PN ist raus. ;-)
Danke
Gruß

Tom
Benutzeravatar
Thomas Held Verified
Beiträge: 5066
Registriert: Do 22. Jul 2004, 12:11

Re: Montage Spange Ausruecklager/-hebel

Beitrag von Thomas Held Verified »

Hier die aeusert hilfreichen Bilder von Chris fuer alle.
Die Position der Teile zueinander auf der Abbildung im ET-Katalog ist also richtig. Das ist ja leider nicht immer so... ;)

IMG_0463.jpeg
IMG_0462.jpeg
IMG_0460.jpeg
Danke, Gruesse
Gruß

Tom
priusb78 Verified
Beiträge: 2013
Registriert: Di 9. Jul 2013, 14:42

Re: Montage Spange Ausruecklager/-hebel

Beitrag von priusb78 Verified »

Passt!

Gruß Thorsten
Dateianhänge
Ausrücklager klein.JPG
D Super 5, Bj. '74, brun-scarabée aus Italien
Benutzeravatar
Thomas Held Verified
Beiträge: 5066
Registriert: Do 22. Jul 2004, 12:11

Re: Montage Spange Ausruecklager/-hebel

Beitrag von Thomas Held Verified »

Sieht bei mir jetzt auch so aus! :)
Danke
Gruß

Tom
Antworten