compresseur constantin

Diskussionen rund um's Thema...
Amisuper
Beiträge: 9
Registriert: Sa 14. Mär 2009, 12:58

compresseur constantin

Beitrag von Amisuper »

Hallo an Alle,


ich suche Unterlagen zu einem compresseur constantin.
Wir haben so ein Teil in france gekauft aber leider ohne Unterlagen und es fehlen Teile.
Die komplette Halterung des Verdichters, ok die kann man nachbauen.

Aber was weit wichtiger ist, die Rückschlagklappe für die Umfahrung um den Verdichter ist
ausgebaut, also ich habe das Gehäuse der Rückschlagklappe aber die eigentliche Klappe fehlt.
Auch so was lässt sich nachfertigen.... wenn man weis wie das Ding aussieht.
Geholfen wäre mir mit Fotos der Rückschlagklappe und mit Maßen von der Klappe.
Die Klappe war wohl mit einer art Scharnier in das Gehäuse eingebaut und vermutlich mit
einer kleinen Feder versehen, ich denke die Druckverhältinsse haben die Klappe dann von alleine
betätigt.
Bei meiner Suche nach Unterlagen habe ich das Handbuch eines Bertin Verdichters aufgetrieben (Kopie)
Der sitzt aber auf der anderen Seite des Motors hat komplett andere Halter und in diesem
Handbuch ist auch eine Teileliste welche aber absolut nichtssagend ist.
Gerne gebe ich diese Daten für den Bertin weiter wenn jemand Bedarf hat.
Vom Prinzip arbeitet die Bertin Anlage wie die Constantin, Bertin hat auch die gleichen Verdichter
genommen, von Constantin.

Wenn mir da irgend jemand helfen könnte währe ich sehr froh, das ist leider eine sehr seltene
Geschichte und ich denke es gibt nicht allzuviele von diesen Kompressoren in Deutschland.


M.f.G. Amisuper
Bernhard(Süd) Verified
Beiträge: 1305
Registriert: Mo 16. Okt 2006, 17:00

Re: compresseur constantin

Beitrag von Bernhard(Süd) Verified »

Hallo Amisuper,

möglicherweise bekommst Du bei Firma Régembeau in (bei) Macon gute Informationen.
Die haben damals bestimmt mit den Kompressoren gearbeitet.

http://citroensmregembeau.free.fr/

Grüsse: bernhard
(Citroenfahrer seit 1980, wie schön :-) )
Doctor-D
Beiträge: 1296
Registriert: Mi 18. Apr 2007, 10:53

Re: compresseur constantin

Beitrag von Doctor-D »

Dieter, ich habe leider nix gefunden, hier ist das Auto, mit dem ich mal das Vergnügen hatte.
http://www.citrothello.net/ds-21-cabrio ... onstantin/

Und hier bei Yves von einem Langhuber.

http://www.nuancierds.fr/tuning103.htm

Vielleicht fragst Du den auch mal, der kennt ziemlich viele Karren und ihre Besitzer.

Bei Crescia gibt es auch eine Usine mit Constantin, aber ich fürchte, daß ist der von der schwarzen gewesen, weil Crescia das ganze Zeug gekauft hat.

http://www.crescia-sa.ch/index.php/rest ... ?start=100
mf
Beiträge: 339
Registriert: So 30. Jan 2005, 21:22

Re: compresseur constantin

Beitrag von mf »

Ich hatte das Auto besessen, was auf Othello's page abgebildet ist. Als ich meine Usine verkauft habe, wollte der Neubesitzer die Bertin Anlage nicht haben. Bertin - ein genialer Ingenieur - hat das System von Constantin verbessert. 42% Leistungszuwachs waren ein Wort und toll zu fahren. Immer lustig Vergaser-SM damit zu ärgern. Normale Constantin hatten einen Zuwachs von nur 20%.

Ich hatte mich damals intensiv mit Surpresseur (so heissen die Dinger richtig) auseinander gesetzt und hatte 3 komplette Anlagen und ca 4 Unkomplette. Sollte Deine Anlage nicht komplett sein (Ohne Klappen,Halterungen, Vergaserabänderungskit, etc), wird es schwierig, äusserst schwierig. Wie ist der Zustand der Schaufelräder? Wurden damals die Anlagen ohne Lufi gebraucht, zerstörte eingesaugter Dreck die Schaufeln und die Verdichtung ist dahin. Zerlege das Teil nicht, den die Schaufelräder wirst Du nie wieder korrekt einstellen können.

Es hatte in Frankreich eine Handvoll Surpresseur-Anbieter, die alle verschiedene Klappensysteme verwendet haben. Bist Du Dir sicher, dass Deiner überhaupt für eine ID/DS ist? Es wurden in den 50/60er für Peugeot, Simca und andere Marken Systeme angeboten. Alleine für DS gab es verschiedene (Langhuber/Kurzhuber). Auf Teilemärkte stehen immer wieder Constantin's rum - selten mit den Anbauteilen, eigentlich wertlos.


Habe aber vor einigen Jahren das ganze en block verkauft, samt allen Unterlagen. Da kann ich Dir leider nicht weiter behilflich sein.

Mike
Mike (CH)
Amisuper
Beiträge: 9
Registriert: Sa 14. Mär 2009, 12:58

Re: compresseur constantin

Beitrag von Amisuper »

Hallo Bernhard, Frank und Mike und Mathias,

erst mal danke für Eure Kommentare.
Leider ist mein französisch mehr als schlecht und ich werde erst einen Freund fragen müssen
damit er sich mit den angegebenen Adressen in verbindung setzt.
Die Frage ob der Verdichter für eine DS war, ja, ich denke schon.
Das Teil hat die elektrische Kupplung eingebaut, die funktioniert auch, die Reste der Halterung
ist identisch mit anderen Fotos von DS Surpresseur,

Mike, Du hattest so was schon und hast damit gearbeitet.

An Dich meine Frage:

Ist meine Annahme richtig, dass die Benzinpumpe durch den Verdichterdruck beim Kompressor-
Betrieb ausgeschaltet ist. So wie ich sehen kann wird ja die Membrane von unten mit
Druck belegt und kann somit nicht mehr nach unten gehen...also ohne Funktion.
Dann läuft auch der Vergaser nicht mehr.....da ohne Benzin, der muss ja nach kürzester
Zeit sozusagen trocken sein????

Also nur noch diese kleine Benzindüse im Ansaugtrakt des Verdichters.
Aber wie kommt das Benzin da hin??????
Reicht der Unterdruck im Ansaugtrakt des Verdichters aus um das Benzin anzusaugen???
Klingt ja etwas eigenwillig aber auch ziemlich pfiffig wenn es so währe.
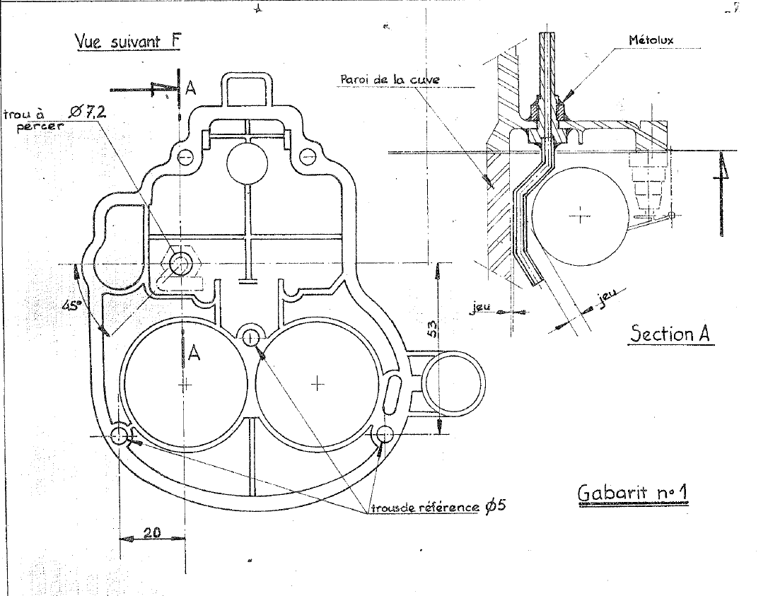
Habe ja leider nur ein Bertin Handbuch und darin eine Schemazeichnung, aus der kann ich
nichts anderes sehen wie das was ich da oben als Vermutung beschrieben habe.

Der Vergaser wird noch umgebaut?????? da hört es mit meinem Französisch vollkommen auf,
ich verstehe kein Wort davon........was wird in dem Vergaser geändert?????
Hast Du da noch was im Kopf von dieser Änderung und was tut diese Veränderung mit dem Vergaser??

Oh, mein Gott so viel Fragezeichen!!!!!!!

Den Verdichter welchen ich hier habe, geht es gut, hat keine Schäden die Flügelräder sehen
sehr gut aus.
ich hätte auch keine Hemmungen den zu zerlegen, habe in meinem früheren Leben 25 Jahre
lang Kompressoren gewartet und überholt, auch Rootsgebläse.
Diese art Verdichter werden oft in der Druckindustrie verwendet, als Sauger und zum blasen.
Habe auch solche Verdichter neu gelagert.......ist aber sehr lange her.[attachment 9990 MVC-001L.JPG] [attachment 9991 MVC-004L.JPG] [attachment 9992 MVC-005L.JPG]

Ja wer sagts denn, trotz Ü60 ist es mir gelungen diese Fotos einzustellen.
Es sind auch Teile der Halterung auf den Fotos zu erkennen, großteils selbst gebaut,
Teilweise aber auch original constantin.

Noch mal Danke für Eure Hilfe, ich hoffe ja dass dieser Verdichter wieder in 'Einsatz kommt.
Eingebaut soll er in eine DS 23 Break werden, welche mein Sohn und ich zusammenbauen.

Liebe Grüße, Dieter
Dateianhänge
MVC-005L.JPG
MVC-004L.JPG
MVC-001L.JPG
Hans-Uwe Fischer
Beiträge: 1872
Registriert: Do 30. Jan 2003, 08:27

Re: compresseur constantin

Beitrag von Hans-Uwe Fischer »

Amisuper hat geschrieben: [...]
Ist meine Annahme richtig, dass die Benzinpumpe durch den Verdichterdruck beim Kompressor-
Betrieb ausgeschaltet ist.

Nein. Die elektrische Einspritzdüse an der Kompressoransaugseite saugt nach dem Venturi-Prinzip den Sprit direkt aus der Schwimmerkammer. Schön zu sehen in einem vorherigen Post.

Also nur noch diese kleine Benzindüse im Ansaugtrakt des Verdichters.
Aber wie kommt das Benzin da hin??????

Wie schon gesagt, nach dem Venturi-Prinzip aus der Schwimmerkammer. Ein kleines Röhrchen wird am Schwimmer vorbeigeführt und saugt vom Schwimmerkammerboden ab. Eine der Umbauarbeiten am Vergaser.

Reicht der Unterdruck im Ansaugtrakt des Verdichters aus um das Benzin anzusaugen???

Ja

Klingt ja etwas eigenwillig aber auch ziemlich pfiffig wenn es so währe.

So Funktionen auch normale Vergaser. Selbst die alten FLIT-Handpumpen ;-)



Der Vergaser wird noch umgebaut?????? da hört es mit meinem Französisch vollkommen auf,
ich verstehe kein Wort davon........was wird in dem Vergaser geändert?????

U.a. der Anschluss für das Einspritzventil. Elektrisch parallel zugeschaltet zur Elektrokupplung, bzw. dem Startswitch unter'm Gaspedal.

HUF
mf
Beiträge: 339
Registriert: So 30. Jan 2005, 21:22

Re: compresseur constantin

Beitrag von mf »

Hallo Dieter

Amisuper [ Privat-Nachricht ]
Re: compresseur constantin
07. Dezember 2015 13:34

HUF hat eigentlich alle Fragen beantwortet. Ich hatte anstelle der normalen Benzinpumpe eine elektrische montiert, denn die normale leistete zu wenig. Mag sein, dass Dein Surpresseur nicht so viel säuft, wie mein Bertin. Den der Leistungszuwachs zwischen den beiden ist nicht unerheblich.

Nur so nebenbei: Als die I.E. Motoren kamen, schrie kein gallischer Hahn mehr nach den Surpresseuren. Die Bläser waren ja auch sauteuer, ich erinnere mich an einen Preis für den Bertin: ca 50% vom Anschaffungspreis einer ID. Aber den geilen Ton des Surpresseur konnte kein I.E. imitieren!

Viel Glück und Kraft für euer Projekt! Zeig uns allen, wenn es fertig ist.

Mike
Mike (CH)
Amisuper
Beiträge: 9
Registriert: Sa 14. Mär 2009, 12:58

Re: compresseur constantin

Beitrag von Amisuper »

Hallo Hans-Uwe Hallo Mike,

Ok, soweit habe ich verstanden.
Was aber, macht bitte diese Druckleitung welche in die Benzinpumpe geht????


Diese Saugleitung in die Schwimmerkammer des Vergasers, die ist in dem Bertin-Manual
abgebildet und soweit erklärt.
Also war meine erste Vermutung wohl falsch, der Vergaser läuft doch mit und die Düse vor
dem Verdichter gibt einfach zusätzlich Kraftstoff dazu.
[attachment 10000 2015-12-1009_12_27-Sapelemmanual.pdf-AdobeReader.png]
Die Düse saugt aus dem Vergaserbehälter an sobald der Kompressor aktiv ist, ein
Magnetventil in der Kraftstoffleitung wird mit dem Pedalschalter aktiviert und gibt die
Kraftstoffleitung frei.

Aber was ist das mit der Benzinpumpe ????????
Ich bin ja davon ausgegangen dass der Druck des Verdichters diese blockiert.......
das war falsch gedacht. Könnte es sein dass die Pumpe mit diesem unter der Membrane
anliegendem Druck einfach mehr fördern soll????
Das könnte man ja mit eine kleinen elektrischen Benzinpumpe zusätzlich wie von Mike
vorgeschlagen machen.

ich muss mir einfach jemand suchen der in der Lage ist dieses Bertin-Manual ins deutsche
zu übersetzen.
Falls das hier jemand liest der so was könnte?????
Sicher ein anstrengender Job, könnte im Gegenzug DS oder CX Teile anbieten.....
Über mir befindet sich ein Speicher mit ca. 300m² voll mit Teilen, ok das meiste gebraucht...
aber alles brauchbar.
Habe sehr viel Kleinteile von ca. 4 geschlachteten ID/DS Modellen, das meiste gereinigt
und neu verzinkt.

Werde Euch allen einfach weiter berichten wie meine Fortschritte aussehen und träume
davon ein constantin manual zu finden.
Kleiner Fortschritt, ich bekomme aus Frankreich eine Zeichnung der mir fehlenden
Rückschlagklappe aus einem originalem constantin Verdichter.

Danke, für Eure Hilfe......

AWG, alles wird gut.

Grüße aus Bayern, Dieter
Dateianhänge
2015-12-10 09_12_27-Sapelem manual.pdf - Adobe Reader.png
Hans-Uwe Fischer
Beiträge: 1872
Registriert: Do 30. Jan 2003, 08:27

Re: compresseur constantin

Beitrag von Hans-Uwe Fischer »

Hallo Dieter,

genau so sehe ich das auch. Allerdings kann man im Ansaugtrakt, noch nicht von einem Unterdruck sprechen. Das ist ähnlich den Druckverhältnissen wie vor einer Drosselklappe.
Auch bei dieser Einspritzdüse kommt das Venturiprinzip zur Geltung.

Ich sehe es auch so, dass eine, mit Benzin angereicherte Luft, durch den "normalen" Vergaser gedrückt wird. Das Gesamtgemisch dürfte dann aber nicht Lambda=1 ergeben ;-)

Die Funktion der Überdruckleitung zur mech. Benzinpumpe ist für mich auch unklar. Falls die Einstellungen am Schwimmerkammerventil nicht verändert werden, darf der Benzindruck nicht verändert werden. Im Ergebnis dürfte dann nur die Fördermenge erhöht werden. Und das macht wohl bei dieser Hau-Ruck-Methode Sinn. ;-)
Eine elektr. (Zusatz-) Pumpe dürfte das aber auch erledigen.

Aufgrund der überschaubaren Technik dürfte m.E. das ganze Vorhaben gelingen. Ideal wäre eine einstellbare Einspritzdüse. Dann könnte man zur Förderleistung des Kompressors, die passende Spritmenge (ca. 15:1) einstellen. Also solange verkleinern, bis der Auspuff nicht mehr qualmt. :-)

Ich persönlich würde dem Motor und mir das aber nicht antuen. Da spielen soviele Einflussparameter eine Rolle, die von diesem Kompressor-Prinzip nicht berücksichtigt werden. Alleine schon die Übergänge beim Lastwechsel.
Da aber das Ganze ja nur während des Vollgasgebens passiert, kommt es ja nur selten zum Einsatz. Somit ist ja meistens alles normal.
Steht aber ein 911er-Driver neben einem, wird dieser zukünftig an Depressionen leiden. :-)

HUF
Antworten