Ketten?-Rasseln bei Standgas - Diagnose ?
Re: Ketten?-Rasseln bei Standgas - Diagnose ?
Der Simmerring ist, wenn der erste, glashart.Original ist der Verteilerantrieb mit einer Papierdichtung am Block gedichtet, das ist nach 50 Jahren auch hin.
Im Verteilerantrieb ist ein Wellendichtring, zieh mal den Verteiler und schaue Dir an wie ölig das aussieht.Wenn die Motoren zu viel Blow By haben und der Dichtring hart ist, pumpt sich das aus dem Verteilerantrieb.
Ich würde das Getriebe ziehen und die Ringe machen, Papier weglassen, mit gutem Motorensilikon eindichten und fertig.
Ansonsten alles raus, zerlegen, reinigen und wieder zusammenkleben, inklusive Getriebe, Schaltwellendichtringe, Kettendeckel, Ölwanne, Druckregler.
Ca. 30h oder mehr.
Im Verteilerantrieb ist ein Wellendichtring, zieh mal den Verteiler und schaue Dir an wie ölig das aussieht.Wenn die Motoren zu viel Blow By haben und der Dichtring hart ist, pumpt sich das aus dem Verteilerantrieb.
Ich würde das Getriebe ziehen und die Ringe machen, Papier weglassen, mit gutem Motorensilikon eindichten und fertig.
Ansonsten alles raus, zerlegen, reinigen und wieder zusammenkleben, inklusive Getriebe, Schaltwellendichtringe, Kettendeckel, Ölwanne, Druckregler.
Ca. 30h oder mehr.
- Claude-Michel
- Beiträge: 1636
- Registriert: Do 19. Okt 2006, 09:49
- Kontaktdaten:
Re: Ketten?-Rasseln bei Standgas - Diagnose ?
Das müsste der erste sein. Die Frage ist nur: gibt es einen oder dreei? Wenn ich das richtig im Ersatzteilkatalog sehe, gibt es einen an der Nockenwelle:
Und dann noch zwei am Verteiler:
Ich gebe zu, hier noch nie was auseinander gebaut zu haben. Deswegen frage ich auch so Laienhaft.
Wobei ich mir nicht so sicher bin, ob diese Simmerringe die Ursache für diesen Ölschmoder auf dem Motor sind. Wie schon geschrieben scheint es von oberhalb der Nockenwelle zu kommen. Morgen weiß ich mehr.
Auch da, gehe ich davon aus, dass es noch nie geöffnet wurde und noch original ist.Doctor-D hat geschrieben: Sa 13. Apr 2024, 18:57Original ist der Verteilerantrieb mit einer Papierdichtung am Block gedichtet, das ist nach 50 Jahren auch hin.
Als ich den Verteiler das letzte Mal draussen hatte war es ölig, aber nicht übermässig viel. Der Verteiler ist ein 123 inzwischen. Ich glaube der hat einen O-Ring. Bin mir nicht ganz sicher. Den werde ich aber erst ausbauen nachdem alles am Platz ist und der Motor wieder läuft.Doctor-D hat geschrieben: Sa 13. Apr 2024, 18:57 Im Verteilerantrieb ist ein Wellendichtring, zieh mal den Verteiler und schaue Dir an wie ölig das aussieht.Wenn die Motoren zu viel Blow By haben und der Dichtring hart ist, pumpt sich das aus dem Verteilerantrieb.
Das wäre die Lösung: perfekt. Nur soviel hatte ich nicht vor. Die Garage in der die DSuper5 jetzt steht gibt mir diese Möglichkeit nicht: zu wenig Platz.Doctor-D hat geschrieben: Sa 13. Apr 2024, 18:57 Ich würde das Getriebe ziehen und die Ringe machen, Papier weglassen, mit gutem Motorensilikon eindichten und fertig.
Ansonsten alles raus, zerlegen, reinigen und wieder zusammenkleben, inklusive Getriebe, Schaltwellendichtringe, Kettendeckel, Ölwanne, Druckregler.
Ca. 30h oder mehr.
Gruß
Claude-Michel
DSuper5, 2x Xantia break 1,8i 16V, Xantia break 2,0i 16V, C4 1,6i 16V coupé
Claude-Michel
DSuper5, 2x Xantia break 1,8i 16V, Xantia break 2,0i 16V, C4 1,6i 16V coupé
Re: Ketten?-Rasseln bei Standgas - Diagnose ?
ich habe jetzt hunderte Getriebe ausgebaut und viele originale harte Paulstra Wellendichtringe gefunden.Teilweise auch neue, die leckten.
Auch neue Simmeringe die dicht waren und am Verteilerantrieb zum Block lecken.
Es gibt ein Joch um den Motor oben zu halten und das Getriebe zu ziehen, der minimalinvasive Eingriff.
Ich schraube das jeden Tag, in kurzer Zeit, weil ich trainiert bin, der Amateur kotzt, weil es eine riesen Aufgabe ist.
Aber der Amateur kann wachsen und diese Aufgabe meistern.Das Wissen ist im Buch, das Werkzeug auch, zu zweit ist es einfacher.
Ich habe das lange alleine gemacht, Joch, Kran, DS.Ich habe das Feuer nicht erfunden.
Das ist ein Super5, Zehn Schrauben an der Glocke und ein bisschen Handbuch lesen.
Zen und die Kunst des DS Schraubens.
Klar ist das das dreckigstes Auto was es gibt. aber man wächst mit den Aufgaben.
Auch neue Simmeringe die dicht waren und am Verteilerantrieb zum Block lecken.
Es gibt ein Joch um den Motor oben zu halten und das Getriebe zu ziehen, der minimalinvasive Eingriff.
Ich schraube das jeden Tag, in kurzer Zeit, weil ich trainiert bin, der Amateur kotzt, weil es eine riesen Aufgabe ist.
Aber der Amateur kann wachsen und diese Aufgabe meistern.Das Wissen ist im Buch, das Werkzeug auch, zu zweit ist es einfacher.
Ich habe das lange alleine gemacht, Joch, Kran, DS.Ich habe das Feuer nicht erfunden.
Das ist ein Super5, Zehn Schrauben an der Glocke und ein bisschen Handbuch lesen.
Zen und die Kunst des DS Schraubens.
Klar ist das das dreckigstes Auto was es gibt. aber man wächst mit den Aufgaben.
Re: Ketten?-Rasseln bei Standgas - Diagnose ?
Ja, geht auch als "Hobby-Schrauber" in einer "Standardgarage". Mit Anheben des Motors und einer Hilfskonstruktion zum Anpacken lässt sich das Getriebe zu zweit gut raus und reinheben.
Gruß Thorsten
Gruß Thorsten
D Super 5, Bj. '74, brun-scarabée aus Italien
- Claude-Michel
- Beiträge: 1636
- Registriert: Do 19. Okt 2006, 09:49
- Kontaktdaten:
Re: Ketten?-Rasseln bei Standgas - Diagnose ?
Danke für eure Antworten. Ich bin noch nicht dazu gekommen, nachzulesen wie das Getriebe vorzuziehen ist. Das wird der nächste Schritt sein.
Heute war ich kurz an der DSuper5 um nachzuschauen, wo das Öl herkommt. Ich habe folgenden Weg als möglich erkundet:
Wenn ich das richtig sehe, liegen die Flächen von: Loch in der Getriebeglocke, Durchgang des Verteilers und Motorblock direkt aneinander an:
Somit gibt es einen Kanal vom Motor bis zum Lager der Nockenwelle. Dieser Kanal sollte trocken sein, würde der Simmerring auf dem Foto von Mike dicht sein.
Da dieser nicht dicht ist, fließt das Öl nach vorne zum Nockenwellenlagerdeckel. Der ist auch nicht dicht an der Getriebeglocke angeflancht und das Öl tropft in die Kurbelwelle. Diese verteilt das Öl im Kreis herum auf die untere Seite der Wasserpumpe und auf die Hydraulikpumpe. Da tropft es wieder runter auf die Getriebeglocke.
Dass es Motoröl ist und kein LHM sieht man an der braunen Pfütze auf dem Getriebe.
Wenn meine Beobachtung stimmt, verstehe ich auch endlich warum ihr mir gleich von den Dichtungen am Verteiler erzählt habt.
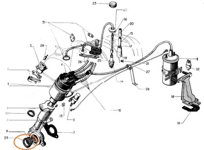
Es wäre also die Dichtung Nr. 19: 29x46x10 vom Bild im Ersatzteilkatalog zu tauschen (Bild von Mike). Was ist mit den drei Dichtungen am Verteilerantrieb: Nr. 7: 1x42x3x8, Nr. 9: 33x45x55x5 und Nr. 29: 29x46x10 ?
Sind die Dichtungen Nr. 19 und die Nr.29 die selben oder die gleichen? Weil beide die gleiche Sachnummer haben: ZC 9612 629U.
Ich hoffe mein Text ist nicht zu lange und man kann verstehen was ich meine
Heute war ich kurz an der DSuper5 um nachzuschauen, wo das Öl herkommt. Ich habe folgenden Weg als möglich erkundet:
Wenn ich das richtig sehe, liegen die Flächen von: Loch in der Getriebeglocke, Durchgang des Verteilers und Motorblock direkt aneinander an:
Somit gibt es einen Kanal vom Motor bis zum Lager der Nockenwelle. Dieser Kanal sollte trocken sein, würde der Simmerring auf dem Foto von Mike dicht sein.
Da dieser nicht dicht ist, fließt das Öl nach vorne zum Nockenwellenlagerdeckel. Der ist auch nicht dicht an der Getriebeglocke angeflancht und das Öl tropft in die Kurbelwelle. Diese verteilt das Öl im Kreis herum auf die untere Seite der Wasserpumpe und auf die Hydraulikpumpe. Da tropft es wieder runter auf die Getriebeglocke.
Dass es Motoröl ist und kein LHM sieht man an der braunen Pfütze auf dem Getriebe.
Wenn meine Beobachtung stimmt, verstehe ich auch endlich warum ihr mir gleich von den Dichtungen am Verteiler erzählt habt.
Es wäre also die Dichtung Nr. 19: 29x46x10 vom Bild im Ersatzteilkatalog zu tauschen (Bild von Mike). Was ist mit den drei Dichtungen am Verteilerantrieb: Nr. 7: 1x42x3x8, Nr. 9: 33x45x55x5 und Nr. 29: 29x46x10 ?
Sind die Dichtungen Nr. 19 und die Nr.29 die selben oder die gleichen? Weil beide die gleiche Sachnummer haben: ZC 9612 629U.
Ich hoffe mein Text ist nicht zu lange und man kann verstehen was ich meine
Gruß
Claude-Michel
DSuper5, 2x Xantia break 1,8i 16V, Xantia break 2,0i 16V, C4 1,6i 16V coupé
Claude-Michel
DSuper5, 2x Xantia break 1,8i 16V, Xantia break 2,0i 16V, C4 1,6i 16V coupé
- Thomas Held Verified
- Beiträge: 5067
- Registriert: Do 22. Jul 2004, 12:11
Re: Ketten?-Rasseln bei Standgas - Diagnose ?
Hallo Claude-Michel,
so stark veroelt finde ich den Motor nach 100000 km Betrieb gar nicht. Auf dem Kupplungsseil sieht man doch auch schon Oelreste, oder nicht? Weiter oben kommt irgendwo der Oeleinfuell-Stutzen. Beim Einfuellen von Motoroel schaffe ich es regelmaessig, den Motor auch von aussen etwas einzusauen. Das duerfte dann in diese Gegend fliessen...
Gruss
so stark veroelt finde ich den Motor nach 100000 km Betrieb gar nicht. Auf dem Kupplungsseil sieht man doch auch schon Oelreste, oder nicht? Weiter oben kommt irgendwo der Oeleinfuell-Stutzen. Beim Einfuellen von Motoroel schaffe ich es regelmaessig, den Motor auch von aussen etwas einzusauen. Das duerfte dann in diese Gegend fliessen...
Gruss
Gruß
Tom
Tom
- Claude-Michel
- Beiträge: 1636
- Registriert: Do 19. Okt 2006, 09:49
- Kontaktdaten:
Re: Ketten?-Rasseln bei Standgas - Diagnose ?
Hallo Thomas, gut, es ist relativ ob der Motor stark oder nicht so stark verölt ist
. Ich war ja nicht dabei, zu suchen warum er verölt ist. Ich wollte ja "nur" die Riemenscheibe wechseln.
Wenn ich Öl einfülle, da sabbert nix daneben, dass hasse ich , es wird soffort abgeputzt falls ein Tropfen daneben kommt.
Hallo Doctor-D und Thorsten, ihr redet von einem Buch wo beschrieben sein soll wie man das Getriebe nach vorne verschiebt ohne den Motor rauszunehmen. Ich habe in den Reparaturanleitungen geschaut aber diese Beschreibung nicht gefunden, Da wird immer nur beschrieben wie man alles rausnimmt. Welches Buch meint ihr da?
Verstehe ich es richtig, dass man das Getriebe nach vorne schieben kann ohne die Antriebswellen zu entfernen?
Wenn ich Öl einfülle, da sabbert nix daneben, dass hasse ich , es wird soffort abgeputzt falls ein Tropfen daneben kommt.
Hallo Doctor-D und Thorsten, ihr redet von einem Buch wo beschrieben sein soll wie man das Getriebe nach vorne verschiebt ohne den Motor rauszunehmen. Ich habe in den Reparaturanleitungen geschaut aber diese Beschreibung nicht gefunden, Da wird immer nur beschrieben wie man alles rausnimmt. Welches Buch meint ihr da?
Verstehe ich es richtig, dass man das Getriebe nach vorne schieben kann ohne die Antriebswellen zu entfernen?
Gruß
Claude-Michel
DSuper5, 2x Xantia break 1,8i 16V, Xantia break 2,0i 16V, C4 1,6i 16V coupé
Claude-Michel
DSuper5, 2x Xantia break 1,8i 16V, Xantia break 2,0i 16V, C4 1,6i 16V coupé
Re: Ketten?-Rasseln bei Standgas - Diagnose ?
Hallo Claude-Michel,
die "offizielle" Vorgehensweise zum Tausch der Kupplung ist der Ausbau des Getriebes ohne Ausbau des Motors, beschrieben in Handbuch 583, Bd. 2, Arbeitsvorgang 330-1. Solltest Du in Ermangelung einer Traverse auf den Gedanken verfallen, den Motor von unten abzustützen, ist allerhöchste Vorsicht geboten, die Ölwanne bricht sehr leicht.
Du kannst natürlich auch versuchen, nur den Simmerring der Nockenwelle zu tauschen, das sollte ja nach Ausbau des Lagers möglich sein, indem Du da ein paar Spaxschrauben reindrehst und ihn damit rausziehst. Vielleicht hast Du Glück und der Ölverlust verringert sich deutlich, dann kannst Du den Wechsel des Verteilersimmerrings bis zum nächsten Kupplungswechsel aufschieben.
Viele Grüsse,
Robert
die "offizielle" Vorgehensweise zum Tausch der Kupplung ist der Ausbau des Getriebes ohne Ausbau des Motors, beschrieben in Handbuch 583, Bd. 2, Arbeitsvorgang 330-1. Solltest Du in Ermangelung einer Traverse auf den Gedanken verfallen, den Motor von unten abzustützen, ist allerhöchste Vorsicht geboten, die Ölwanne bricht sehr leicht.
Du kannst natürlich auch versuchen, nur den Simmerring der Nockenwelle zu tauschen, das sollte ja nach Ausbau des Lagers möglich sein, indem Du da ein paar Spaxschrauben reindrehst und ihn damit rausziehst. Vielleicht hast Du Glück und der Ölverlust verringert sich deutlich, dann kannst Du den Wechsel des Verteilersimmerrings bis zum nächsten Kupplungswechsel aufschieben.
Viele Grüsse,
Robert
'59 DS 19/'66 ID 19/'68 DS 21 Pallas/'71 SM /'71 SM in Arbeit/'84 Renault R4F6 in Arbeit/'96 Saab 900 CV/'98 BMW 1100 GS
- Claude-Michel
- Beiträge: 1636
- Registriert: Do 19. Okt 2006, 09:49
- Kontaktdaten:
Re: Ketten?-Rasseln bei Standgas - Diagnose ?
Habe mir de Beschreibung durchgelesen. Da geht es ja darum, das ganze Getriebe rauszuholen. Solch eine Arbeit war jetzt nicht geplant. Das hätte ich gemacht wenn Mal die Kupplung dran wäre. Ich habe weder genug Platz in der Garage wo die DSuper5 jetzt steht noch habe ich diese Traverse. Von dem Abkoppeln der Antriebswellen habe ich ebenfalls respekt.Robert hat geschrieben: Di 16. Apr 2024, 23:09 ....die "offizielle" Vorgehensweise zum Tausch der Kupplung ist der Ausbau des Getriebes ohne Ausbau des Motors, beschrieben in Handbuch 583, Bd. 2, Arbeitsvorgang 330-1. Solltest Du in Ermangelung einer Traverse auf den Gedanken verfallen, den Motor von unten abzustützen, ist allerhöchste Vorsicht geboten, die Ölwanne bricht sehr leicht.
Der Simmerring der Nockenwelle müsst dann auch durch die Öffnung des Verteilerantriebs. Dieser ist doch im Weg, oder nicht?Robert hat geschrieben: Di 16. Apr 2024, 23:09 Du kannst natürlich auch versuchen, nur den Simmerring der Nockenwelle zu tauschen, das sollte ja nach Ausbau des Lagers möglich sein, indem Du da ein paar Spaxschrauben reindrehst und ihn damit rausziehst. Vielleicht hast Du Glück und der Ölverlust verringert sich deutlich, dann kannst Du den Wechsel des Verteilersimmerrings bis zum nächsten Kupplungswechsel aufschieben.
Ich habe mir überlegt, die Fläche zwischen Lagerschale und Getriebeglocke mit Dichtpaste zu versehen. Somit bleibt das Öl hinter dem Lager da dieses ja dicht ist. Den Simmerring wird dann bei einem Kupplungswechsel getauscht.
Gruß
Claude-Michel
DSuper5, 2x Xantia break 1,8i 16V, Xantia break 2,0i 16V, C4 1,6i 16V coupé
Claude-Michel
DSuper5, 2x Xantia break 1,8i 16V, Xantia break 2,0i 16V, C4 1,6i 16V coupé
Re: Ketten?-Rasseln bei Standgas - Diagnose ?
Sehe der Realität ins Auge.
Das ist ein hardcore job.
Vor allem für eine Werkstatt, die das nie macht.
Entweder Du machst das selbst oder beauftragts eine Bude, die das für Dich macht.
Wo ist Deine Grenze?
Wo willst Du hingehen?
Ich mache das jeden Tag, ja, Du lachst, aber es es ist so.Was sind Deine Möglichkeiten?
Das ist ein hardcore job.
Vor allem für eine Werkstatt, die das nie macht.
Entweder Du machst das selbst oder beauftragts eine Bude, die das für Dich macht.
Wo ist Deine Grenze?
Wo willst Du hingehen?
Ich mache das jeden Tag, ja, Du lachst, aber es es ist so.Was sind Deine Möglichkeiten?